新闻动态
亚搏体育在线注册,亚搏体育(中国)
亚搏体育在线注册,亚搏体育(中国)
关于我们
公司简介
在线反馈
联系我们
产品展示
全部
传感器/变送器
流量计系列
液位/料位系列
阀门/执行装置
液压/气动元件
检维修工器具
化验/分析仪器
其他机电仪产品
新闻动态
全部
行业知识
企业新闻
资料下载
客户案例
新闻动态
推荐
热门
最新
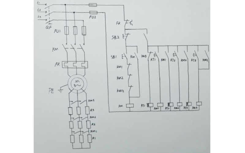
绕线转子异步电动机转子串电阻启动电路解析
绕线转子异步电动机转子串电阻启动电路解析
2022-11-17
亚搏体育在线注册,亚搏体育(中国)
上一页
1
下一页
转至第
首页
产品
新闻
联系
时博在线平台
|
mk网页版登录入口
|
开云在线平台
|
华体会网页版登录入口
|
千亿体育在线注册
|
乐竞在线平台
|
时博体育官方
|
环球体育在线注册
|
时博体育App下载
|