YC-LW2音叉式液位开关的故障处理
2022-09-26 亚搏体育在线注册,亚搏体育(中国)
各种液位计故障处理分享
2022-09-23 亚搏体育在线注册,亚搏体育(中国)
KKF-200浮子式钢带液位计的故障分析
WAX-C320差压变送器在强腐蚀系统中的应用
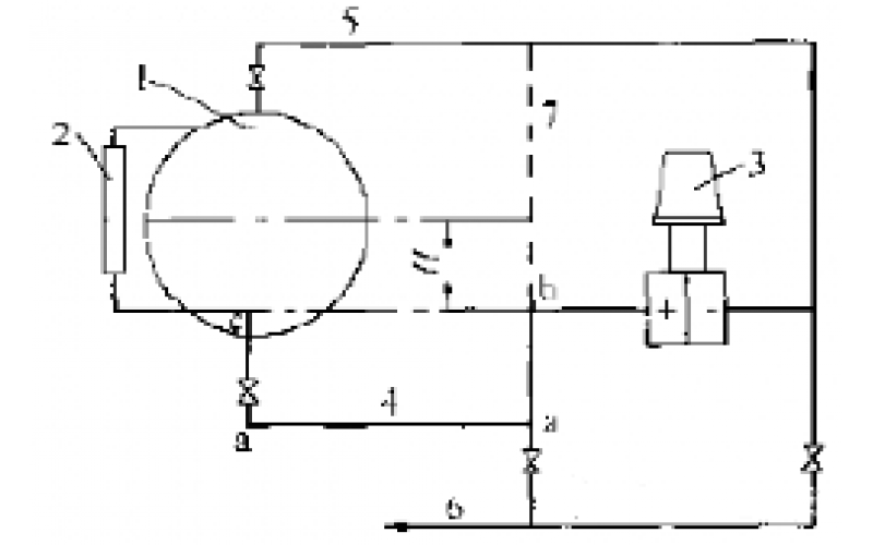
WAX-C320差压变送器液面测量的管路改装分享
2022-09-22 亚搏体育在线注册,亚搏体育(中国)
氨水液位计指示偏差的校正方法分享
KWZK液位控制系统的改造分享
合成氨装置KW1101E液位仪表测量问题处理分享